Referinta: TUR112
Șurub turbo 7,5 x 112 mm
Șurub turbo cu cap zimțat pentru montarea ferestrelor de 112 mm lungime. Diametrul șurubului: 7,5 mm Lungimea șurubului: 112 mm Diametrul de preperforare: 6 mmTip de biți de strângere: TX30 (typ Torx)
Referinta: TUR112
Șurub turbo cu cap zimțat pentru montarea ferestrelor de 112 mm lungime. Diametrul șurubului: 7,5 mm Lungimea șurubului: 112 mm Diametrul de preperforare: 6 mmTip de biți de strângere: TX30 (typ Torx)
Referinta: TORX30
Accesoriu pentru șurubelniță TX30 profil în formă de stea (tip Torx)
Referinta: TUR152
Șurub Turbo cu cap zimțat pentru montarea ferestrelor cu o lungime de 152 mm. Diametrul șurubului: 7,5 mm Lungimea șurubului: 152 mm Diametrul de preperforare: 6 mmTip de biți de strângere: TX30 (typ Torx)
Referinta: MDK15
Set de 8 pene de montare din lemn Cunei din lemn sunt ajutoare indispensabile la montarea ferestrelor și ușilor! Cuierul nostru de montare din lemn are următoarele dimensiuni: 15 cm x 2,5 cm x 2,5 cm - 0,1 cm. Căzile de montaj din lemn sunt utilizate în principal pentru alinierea ramei ferestrelor și ușilor în deschidere pe toate axele. Cuișoarele din...
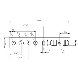
Ancoră de montare pentru ferestre șiuși
Ancoră de montare pentru ferestre și uși este destinată fixării ramei ferestrelor și ușilor din plastic. Ancorele pentru ferestre au găuri pentru fixare cu dibluri sau șuruburi turbo. Material - oțel, galvanizat la cald.
Dimensiunile ancorelor corespund exact ferestrelor și ușilor pe care le oferim.
Potrivit pentru combinație cu șurubul turbo pe care îl oferim!
Acest produs poate fi achiziționat și în seturi avantajoase!
Utilizarea ancorelor la instalarea ferestrelor și ușilor
Poziționarea obișnuită a ancorelor în jurul perimetrului cadrului ferestrei sau al ușii este prezentată în desenul de mai jos. În cazul în care nu este posibil să se asigure ancorarea la distanțele specificate (de exemplu, din cauza montării de obloane rulante, de praguri etc.), este necesar să se asigure o armare suficientă a părții relevante a cadrului.Aceleași reguli trebuie respectate și la îmbinarea ferestrelor și ușilor în ansambluri. Dacă este posibil, nu se recomandă să se găurească prin rama ferestrei în partea de jos, care servește la scurgerea apei de ploaie departe de structură. În cazul în care acest lucru nu poate fi asigurat, se recomandă ca capul șurubului utilizat să fie bine etanșat pentru a preveni scurgerile în profil. La ancorare, este întotdeauna necesar să se țină cont de caracterul adecvat al materialului peretelui perimetral, de adâncimea de găurire, de diametrul șurubului, de distanța față de marginea peretelui, de lungimea liberă a șurubului (lățimea îmbinării de conectare = spațiul dintre rama ferestrei și perete).

Imagine de ancorare a ferestrei în conformitate cu ČSN 746077:
A - distanța dintre ancore: fereastră din metal max. 800mm | fereastră din lemn max. 800mm | fereastră din plastic max. 700mm
E - distanța de la colțul interior al ramei, al montantului sau al peretelui despărțitor: aprox. 150 mm | aprox. 250 mm pentru ferestrele colorate din PVC
Referinta: 711FRAL8019
Marca: SKYLIGHT
Garnitura pentru fereastra de acoperiș 78 x 118 cm (780 x 1180 mm), maro pentru acoperișuri profilate ATENȚIE: Fiecare fereastră de acoperiș trebuie să fie comandată cu o lamelă!
Referinta: AA833
Pistoale de aplicare concepute pentru extrudarea de materiale de etanșare ambalate în cartușe de aproximativ 310 ml.
Referinta: NET1300x1500BK
Plasa este atașată la orice cadru de fereastră cu Velcro autoadeziv. Protecție sigură împotriva muștelor, țânțarilor, viespilor, moliilor, păianjenilor și a altor insecte.- ușor de instalat - detașabil, rescriptibil- protecție rapidă și eficientăPlasa nu se mișcă și nu deteriorează cadrul ferestrei!
Referinta: MDK15
Set de 8 pene de montare din lemn Cunei din lemn sunt ajutoare indispensabile la montarea ferestrelor și ușilor! Cuierul nostru de montare din lemn are următoarele dimensiuni: 15 cm x 2,5 cm x 2,5 cm - 0,1 cm. Căzile de montaj din lemn sunt utilizate în principal pentru alinierea ramei ferestrelor și ușilor în deschidere pe toate axele. Cuișoarele din...
Referinta: style_245x252
Alegeți dimensiunea ferestrei pentru care aveți nevoie de jaluzele și, bineînțeles, culoarea care se potrivește interiorului dumneavoastră. Aceste jaluzele sunt NUMAI pentru ferestrele noastre de tip din stoc și nu pot fi folosite la alte ferestre sau uși de aceleași dimensiuni. Jaluzelele personalizate pentru alte tipuri și dimensiuni de ferestre sau uși...
Referinta: 714FRAL8019
Marca: SKYLIGHT
Profil pentru fereastra de acoperiș 78 x 140 cm (780 x 1400 mm), maro pentru acoperișuri profilate ATENȚIE: Fiecare fereastră de acoperiș trebuie să fie comandată cu o lamelă!
No customer reviews for the moment.
Ancoră de fixare pe perete pentru ferestre și uși