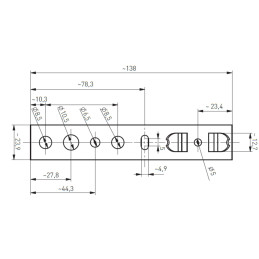
Anclaje de montaje para ventanas ypuertas
El anclaje de montaje en la pared para ventanas y puertas está diseñado para la fijación de marcos de ventanas y puertas de plástico. Los anclajes para ventanas tienen agujeros para la fijación con tacos o tornillos turbo. Material: acero, galvanizado en caliente.
Las dimensiones de los anclajes corresponden exactamente a las ventanas y puertas que ofrecemos.
¡Adecuado para combinar con el tornillo turbo que ofrecemos!
Este producto también puede adquirirse en ventajosos conjuntos.
Uso de anclajes en la instalación de ventanas y puertas
La posición habitual de los anclajes en el perímetro del marco de la ventana o la puerta se muestra en el siguiente dibujo. Si no es posible realizar el anclaje a las distancias especificadas (por ejemplo, debido a la colocación de persianas, dinteles, etc.), es necesario garantizar un refuerzo suficiente de la parte correspondiente del marco.Las mismas reglas deben seguirse al unir ventanas y puertas en conjuntos. Si es posible, no se recomienda perforar el marco de la ventana en la parte inferior, que sirve para drenar el agua de lluvia fuera de la estructura. Si no se puede garantizar esto, se recomienda sellar bien la cabeza del tornillo utilizado para evitar fugas en el perfil. En el anclaje siempre hay que tener en cuenta la idoneidad del material del muro perimetral, la profundidad de la perforación, el diámetro del tornillo, la distancia al borde del muro, la longitud libre del tornillo (anchura de la junta de unión = hueco entre el marco de la ventana y el muro).

Imagen del anclaje de la ventana según ČSN 746077:
A - distancia de anclaje: ventana de metal máx. 800mm | ventana de madera máx. 800mm | ventana de plástico máx. 700mm
E - distancia desde la esquina interior del marco, parteluz o tabique: aprox. 150 mm | aprox. 250mm para ventanas tintadas de PVC